分享好友 招标会员区首页 招标会员区分类 切换频道

【变更公告】海油发展-上海区域中心-非常规气井口除砂器购置-20240506询价采购变更公告

2024-05-0900

html, body { padding: 0; margin: 0;} body { font-family: "微软雅黑"; font-size: 14px; color: #000; line-height: 1.6;} h1 { text-align: center;} .wrapper { padding: 20px 60px;} .section-title {font-size: 18px; font-weight: bold; margin: 30px 0 20px; display: flex;} .section-row {display: flex; padding-left: 34px; padding-bottom: 20px; } .section .label { width: 180px;} .content {width: 100%} .section .label::after {content: ':';} .bid-section-name {font-size: 18px; padding-left: 34px; padding-bottom: 20px;} .contact-table-wrapper {padding: 0 34px;} .contact-table {width:100%;table-layout:fixed;word-wrap:break-word;border:0px;border-right:1px solid;border-bottom:1px solid;border-collapse:collapse;} .contact-table td{word-wrap:break-word;word-break:break-all;border-left:1px solid;border-top:1px solid;padding:10px;} .contact-table tr{height: 30px;line-height: 30px;} a.bug-tender-btn { position: relative; height: 50px;padding: 14px 15px 14px 50px; font-size: 20px; border-radius: 6px !important; background: #0061a5; -webkit-user-select: none; display: inline-block; box-sizing: border-box; transition: 0.1s; font-weight: 500; outline: 0; margin: 0; line-height: 1; white-space: nowrap; border: 1px solid #dcdfe6; -webkit-appearance: none; text-align: center; cursor: pointer; color: #fff !important; } .prefix-icon { position: absolute; left: 15px; top: 50%; transform: translateY(-50%); width: 20px; height: 20px; fill: #fff; } span.so-buy-link {padding: 0 15px 0 12px;line-height: 50px;font-size: 15px;} .so-buy-link a {color: blue !important;} .checker-trigger {color: -webkit-link;cursor: pointer;text-decoration: underline;} #checker { border: 1px solid #000;}

【变更公告】海油发展-上海区域中心-非常规气井口除砂器购置-20240506询价采购变更公告

变更内容
原截标/开标时间
2024年05月10日 14时00分
变更后截标/开标时间
2024年05月13日 15时00分
原澄清截止时间
2024年05月10日 23时59分
变更后澄清截止时间
2024年05月13日 23时59分
原招标文件领取时间
2024年05月06日 至 2024年05月10日
变更后招标文件领取时间
2024年05月06日 至 2024年05月13日
基本信息
项目名称
海油发展-上海区域中心-非常规气井口除砂器购置-20240506
工程项目名称
海油发展-上海区域中心-非常规气井口除砂器购置-20240506
项目概况
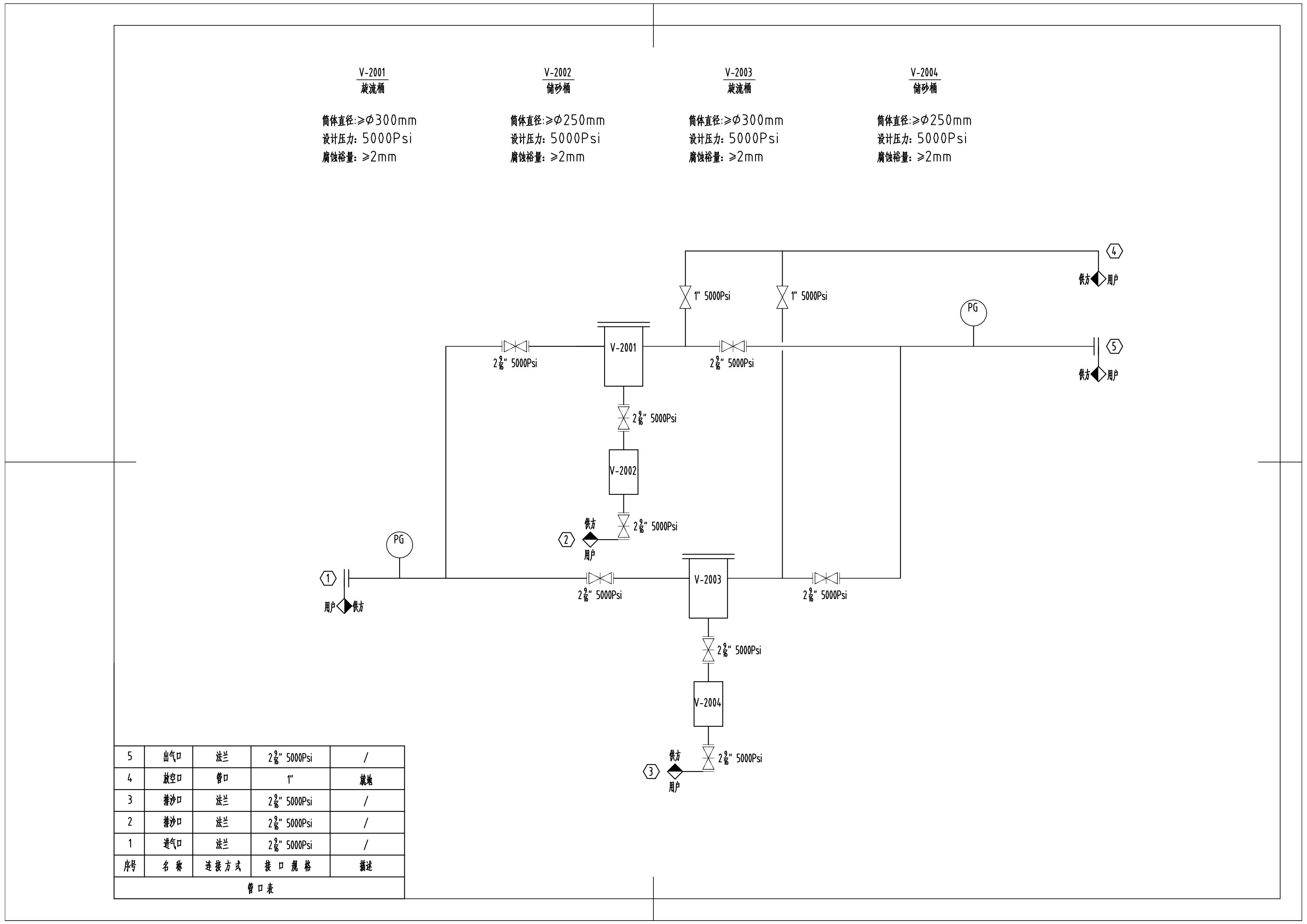
采油服务公司开展非常规气生产运营、措施治理、集输等技术服务业务,随着非常规天然气开发进度加快,非常规气井投产初期携砂量较大,颗粒砂危害了集输管道和下游生产处理设备。为高效治理砂、水合物等带来的危害,生产现场需采购井口除砂器投用在井场的生产流程中。
项目所在地
上海市
资金来源
1
资金落实情况
已落实
是否允许联合体投标
发布媒介
中国海洋石油集团有限公司采办业务管理与交易系统,中国海洋石油集团有限公司供应链数字化平台
标段信息
1. 海油发展-上海区域中心-非常规气井口除砂器购置-20240506 标段
标段(包)编号
GKXJ-2024-CY-1100/01
发标日期
2024年05月06日
主要技术规格
交货期/服务期/完工期
签订合同后2个月内交货
交货数量
招标范围
出资比例
生产能力
资格要求
1.法定代表人(单位负责人)身份证明2.授权委托书3.营业执照:投标人须是中华人民共和国境内具有独立承担民事责任能力的法人,或具备国家认可经营资格的其他组织。(1)投标人为企业的,应具有合法有效的企业法人营业执照、税务登记证及组织机构代码证或证照合一的营业执照;(2)投标人为分公司的,应具有合法有效的营业执照、税务登记证及组织机构代码证或证照合一的营业执照和总公司合法授权书。总公司与分支机构只可一家参与投标,同时参与投标视为投标无效。4. 供应商技术文件要求的证书。(如有要求)见技术文件5.体系认证文件(如有要求)见技术文件6.财务报表:提供近三年财务报表,且近一年利润不能为负且近一年资产负债率<80% 7.代理授权书(无)
招标文件领取时间
2024年05月06日 至 2024年05月13日
招标文件领取方法
请登录中国海洋石油集团有限公司供应链数字化平台(https://bid.cnooc.com.cn/home/#/navigation)的招标公告页面进行购买。首次登录必须先进行注册(免费),注册成功后,方可购买招标文件。购买过程必须全程在线操作,线下形式的汇款将不予接受。标书费支付成功后,投标人可自行下载招标文件。售后不退。如未在系统中领购招标文件,不可参加投标。
招标文件价格
0元
投标文件递交截止时间
2024年05月13日 15时00分
投标地点
所有的投标文件必须在投标文件截止时间前在线提交
投标文件递交方法
所有的投标文件必须在投标文件递交截止时间前在线提交
开标时间
2024年05月13日 15时00分
开标地点
中国海油供应链数字化平台
联系方式
招标人:中海油能源发展股份有限公司天津分公司
地 址:
联 系 人:徐艾
电子邮箱:xuai@cnooc.com.cn
邮 编:
联系电话:021-22833340


相关附件下载
除砂撬流程图-模型.jpg(点击查看)  海油发展-上海区域中心-非常规气井口除砂器购置-20240506-经评审的最低投标价法.pdf(点击查看)  供应商须知(点击查看)  
nclick="checkerShow()"> 原始公告(点击查看
cript type="text/javascript"> function checkerShow() { const checker = document.querySelector('#checker'); const triggerStatus = document.querySelector('#checker-trigger-name').innerText; if (triggerStatus === '查看') { checker.style.display = 'block'; document.querySelector('#checker-trigger-name').innerText = '关闭'; } else if (triggerStatus === '关闭') { checker.style.display = 'none'; document.querySelector('#checker-trigger-name').innerText = '查看'; } }cript>
购买标书 提示:如已注册,请直接点击“购买标书”,如未注册,请先点击并完成供应商 注册

编辑:buy.cnooc.com.c
举报
收藏 0
打赏 0
大榭石化-2024年度大检修-生产运行部门滤芯一批采购结果公告
采购项目名称:大榭石化-2024年度大检修-生产运行部门

0评论2024-05-090

工技公司2024年天津地区叉车技术服务专有协议
html, body { padding: 0; margin: 0;} body { font-f

0评论2024-05-090

霸州三钢1420-紧固件(急需)[WZ2024050260]-采购公告
霸州三钢1420-紧固件(急需)采购公告招标单位采购中

0评论2024-05-090

强度刚度多尺度高保真建模软件招标公告
强度刚度多尺度高保真建模软件招标公告(招标编号:07

0评论2024-05-090

劳保用品[WZ2024040791]-采购公告
劳保用品采购公告招标单位一重集团天津重工有限公司项

0评论2024-05-090

功能结构非线性有限元分析软件招标公告
功能结构非线性有限元分析软件招标公告(招标编号:07

0评论2024-05-090

综合处理分系统试验设备招标公告
1. 招标条件本招标项目综合处理分系统试验设备(项目

0评论2024-05-090

大榭石化-舟山厂区生产装置配套技改项目施工框架协议
html, body { padding: 0; margin: 0;} body { font-f

0评论2024-05-090

比价-临时-核电-工辅具-快堆工装存放箱[WX2024050095]-采购公告
比价-临时-核电-工辅具-快堆工装存放箱采购公告招标单

0评论2024-05-090